跳转至

PLC S7-200 SMART学习笔记

S7-200 SMART 是西门子(Siemens)推出的一款高性价比、小型模块化可编程逻辑控制器(PLC),专为中小型自动化控制任务设计,广泛应用于机床、包装、纺织、暖通空调(HVAC)、楼宇控制及简单过程控制等领域。作为 S7-200 系列的升级产品,S7-200 SMART 在性能、通信能力和编程体验上均有显著提升。

电气控制基础

低压电器分类

  • 配电电器:用于电能的分配和输送如断路器、刀开关等保障电力系统的稳定供电
  • 保护电器:对电路和设备进行保护如熔断器、热继电器等防止电路故障造成设备损坏
  • 主令电器:用于发布控制命令如按钮、开关等实现对电路的手动控制
  • 控制电器:用于控制电路的通断和状态如接触器、继电器等实现电路的自动化控制
  • 执行电器:根据控制信号执行相应动作如电磁阀、电磁铁等将电信号转化为机械动作

低压电器的重要性

  • 保障安全:防止电路过载、短路等故障保护人员和设备的安全减少电气事故的发生
  • 提高效率:实现电路的自动化控制减少人工操作的工作量提高生产效率和质量
  • 优化性能:改善电路的运行性能提高电能的利用效率降低能源消耗
  • 促进发展:推动电气技术的不断进步为工业自动化提供支持促进经济的发展

继电器

  • 基本定义:是一类通过检测各种电量or非电量的信号变化,使触电动作,来接通or断开小电流控制电路的电器

  • 与接触器的区别 - 应用电路

继电器用于控制电路;接触器用于主电路。应用场景不同,决定其性能要求不同

  • 与接触器的区别 - 电流大小

继电器电流小;接触器电流大

  • 与接触器的区别 - 灭弧装置

继电器没有灭弧装置;接触器有灭弧装置

  • 与接触器的区别 - 触点类型

继电器不分主、辅触点;接触器有主、辅触点之分

两者常用于自动化控制系统中的信号转换和逻辑控制,如PLC控制系统提高系统的智能化程度

接触器主触点电流大,用于主电路;继电器触点电流小,主要用于控制电路(如信号放大、逻辑运算)。

接触器用于频繁操作,无过载保护功能;断路器用于分断电路,具备过载、短路保护功能。

接触器是一种用于频繁接通和分断交、直流主电路及大容量控制电路的自动切换电器,具有控制容量大、工作可靠、操作频率高、使用寿命长等特点。

继电器类型 符号 特点
中间继电器 KA 触点数量多,可扩展触点数量。
时间继电器 KT 延时再动作,分为通电延时和断电延时
热继电器 FR 专门用于对电动机进行过载保护和断相保护,以防止电动机过热损坏。

image-20250623234502747

PLC基础概念

PLC:可编程逻辑控制器的英文为“programmable logic controller”

PLC组成与工作方式

设计理念:易编程、易维护、模块化

PLC的硬件组成:电源、存储器、输入/输出接口电路CPU、外部设备通信接口、输入/输出扩展接口、编程器。

PS电源模块:将AC 220V转换为DC 24V。

CPU:模式选择开关包括

​ RUN - P(可编程运行模式,执行 + 修改)

​ RUN(运行模式,执行)、

​ STOP(停机模式)、

​ MRES(存储器复位模式)。

输入/输出接口电路

​ -SM:包含数字量输入模块、模拟量输入模块

​ -IM:连接中央机架与扩展机架

image-20250623235346278

image-20250623235418022

PLC的工作过程:

将PLC接通供电电源后,PLC开始初始化硬件、I/O模块、存储器、数据块、中断队列、输出端子等。

接下来进入用户程序执行阶段:扫描执行阶段。

处理器从0号存储地址所存放的第一条用户程序开始,在无中断或跳转的情况下,按存储地址号递增的方向顺序逐条执行用户程序,直到END指令结束。

然后再从头开始执行,并周而复始地重复,直到停机或从运行(RUN)切换到停止(STOP)工作状态。

扫描工作方式:

每扫描完一次程序就构成一个扫描周期。

PLC扫描工作方式主要分为三个阶段:

1、输入扫描(改写输入映像寄存器)、

2、程序执行(根据程序改写输出映像寄存器)、

3、输出刷新(输出映像寄存器送到输出锁存器输出)。

PLC软件组成

编程语言

  • 梯形逻辑图 LAD

​ 梯形图实际中是没有电流流过的,只是把梯形图中左母线假想为电源相线,把右母线假想为电源地线,假想电流只能从左至右,从上向下。

  • 语句表 STL

  • 功能图 FBD

  • 顺序功能图(SFC)

PLC工作原理和计算机的工作原理有什么区别?

计算机:

一般采用等待命今的工作方式,如常见的键盘扫描方式或I/O扫描方式,只有键盘有键按下或I/O口有信号输入时才中断,并转入相应的子程序。

PLC控制器:

一种专用的工业控制计算机,采用循环扫描工作方式。

系统工作任务管理(内部处理、通信操作等)及用户程序执行都是按循环扫描方式进行的。

区别 PLC系统正常工作所要完成的任务包括什么?

(1)PLC内部各工作单元的调度、监控

(2)PLC与外围设备间的通信

(3)用户程序的执行

区别PLC控制相较于继电器控制存在的特殊性体现在哪两个方面?

(1)输入/输出滞后现象

(2)多重输出不允许

解决多重输出的办法:将同一个继电器的驱动条件合并,

即:同一个继电器只能执行一次输出驱动。

在PLC顺序控制步进梯形指令中,允许线圈多重输出的情况,不会出现相互矛盾的指令执行结果。

PLC接线

PLC接线图

输入输出接线图

PLC选型

image-20250429155158447

S7-200输出点最大功率不超过3W,超过外接中转继电器。

ST30 I+Q=30点;ST40 I+Q=40点;ST60 I+Q=60点

PLC编程基础

数据类型

S7-200 SMART PLC指令系统可以使用的数据类型主要有布尔型、字节型、字型、双字型、字符、字符串、整型、长整型、实型等类型。

image-20250624001255171

image-20250624001319023

PLC内部数据单元

1、输入过程映象寄存器(I)

2、输出过程映象寄存器(Q)

3、通用辅助存储器(M)

4、特殊存储器(SM)

5、变量存储器(V)

6、定时器(T)

7、计数器(C)

8、高速计数器(HSC)

9、模拟量输入(AI)

10、模拟量输出(AQ)

11、累加器寄存器(AC)

12、局部变量存储器(L)

13、顺序控制继电器SCR(S)

程序结构

1、主程序

主程序(OB1)是程序的主体,每一个工程都必须并且只能有一个主程序。在主程序中可以调用子程序。在每个扫描周期都要执行一次主程序。

2、子程序

在结构化程序设计中子程序是一种方便有效的工具,特别是在重复执行某项功能的时候非常有用。

3、中断程序

中断是由设备或其他非预期的急需处理的事件引起的,当发生中断时,系统暂时中断现在正在执行的程序,而转到中断服务程序中去,处理完毕后再返回原程序执行

符号说明

符号 说明 符号 说明
I 输入点 M 辅助寄存器
Q 输出点 V 寄存器
T 时间寄存器 C 计数器

输入点:I0.0 I0.1 I0.2 I0.3 - I0.7 I1.0-I1.7

输出点:Q0.0 Q0.1 Q0.2 Q0.3-Q0.7 Q1.0-Q1.7

辅助寄存器:M0.0 M0.1 M0.2(PLC内部变量,不用接线)

寄存器:V0.0 V0.1 V0.2 位0/1

寻址方式

直接寻址:直接访问指定地址

符号寻址:使用字母数字等字符组合来标识一个地址,通过引用字符组合来寻址的方式。

例如:用Pump1表示地址I0.0,然后使用Pump1 字符串来参与运算,那么引用Pump1 来寻址I0.0的方式就是符号寻址。

间接寻址:使用指针来访问存储器中的数据。

指针是包含另一个存储位置地址的双字存储数据。只能将 V 存储位置、L 存储位置或累加器寄存器(AC1、AC2、AC3)用作指针。

S7-200 SMART 允许指针访问下列存储区: I、Q、V、M、S、T(仅限当前值)、C(仅限当前值)、SM、AI 和 AQ。 不能使用间接寻址访问单个位或访问 HC、L 或 AC 存储区。

IMQV 寻址方式

VB存储数值

image-20250429153051888

image-20250429153140610

基本指令

位逻辑指令

主要是指对PLC存储器中的某一位进行操作的指令,他是编程时使用的最频繁的指令,他的操作数是位,指令逻辑上是0或1,0表示触点或者线圈处于断电状态,1则表示触点和线圈处于断电状态。

image-20250624002630620

image-20250624002651855

定时器指令

S7-200 SMART定时器三种不同类型的定时器:

1、接通延时定时器(TON)

2、保持型接通延时定时器(TONR)

3、断开延时定时器(TOF)

image-20250624003138354image-20250624003147436

image-20250624004328356

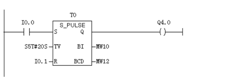
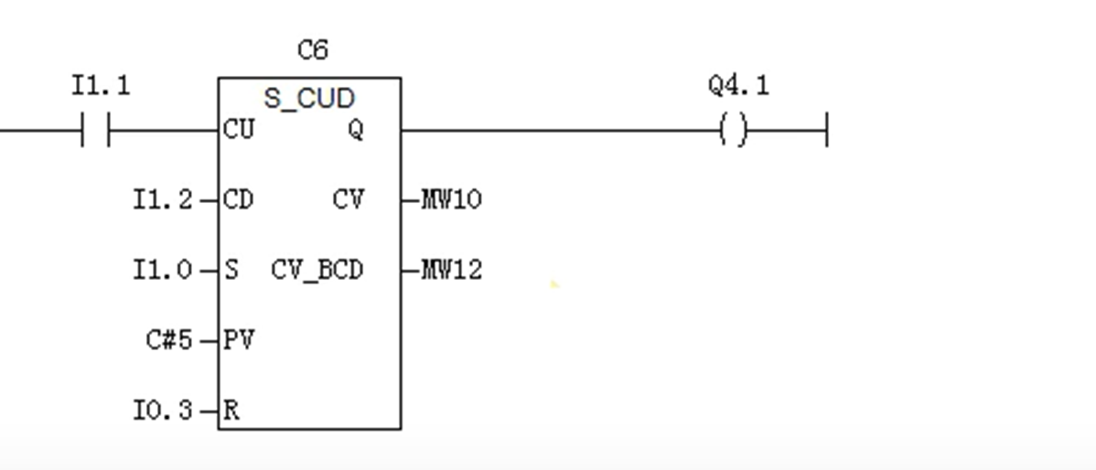
计数器指令

S7-200 SMART计数器指令可以分成计数器指令和高速计数器指令。

1、计数器指令包括加计数器指令、减计数器指令和加减计数器指令。S7-200 SMART的计数器有256个,从C0到C255。

2、高速计数器指令包括高速计数器定义指令和高速计数器指令。高速计数器有6个,编号常数从1到5。

分类:

加计数器(S_CU)

减计数器(S_CD)

加减计数器(S_CUD)

image-20250624003345824

MOVE指令

MOVE指令是当EN条件满足时,实现相同数据类型(不包括位、字符串、Variant类型)的变量间的传送。

image-20250624003437054image-20250624003502935

程序编写说明

置位与复位

image-20250429164309890

SM0.0:特殊寄存器,始终接通

S置位,R复位。2表示将从Q0.0开始的两位Q0.0和Q0.1进行置位。

插入子程序

image-20250429164539102

查找PLC

点击左侧栏通信以连接PLC

image-20250429164720631

评论